Opis dotyczy jedynie komputerów z pamięcią RAM rozszerzoną już do 320kB RAM w komputerze Atari zbudowanym na układach RAM 1-bitowych (starsze 65XE i 130XE oraz 800XL). Montaż jest rozbudową rozszerzenia do 320kB.
UWAGA !!! Opis dotyczy jedynie rozszerzeń standardowych, opartych na bitach 2,3,5,6 PORT B PIA, zatem jest ono niezgodne z Compy Shopami i innymi tego typu przeróbkami.
Przypuszczam, że instalacja 1MB RAM do komputera z układami pamięci 4-bit jest analogiczna, jednak powyższy opis jest konstrukcją, którą osobiście testowałem na dwóch modelach: 65XE i 130XE (obydwa na układach pamięci 1-bit), a wyznaję pewną zasadę, że nie publikuję tego, co nie zostało przetestowane.
Do naszego układu potrzebne będą następujące elementy:
- 8 układów - 4264 lub 4164
- 32 układy - 41256
- 1 układ - 74LS138
- 1 układ - 74157
- 1 rezystor - z przedziału 1-10 kOhm
- 4 rezystory - 33 Ohm
oraz, jeżeli nie zostały tam zamontowane wcześniej: - podstawki 16-nóżkowe (8 dla 65XE/800XL, 16 dla 130XE)
Dalszy opis uzależniony jest od typu komputera.
Atari 65XE (800XL)
Oznaczenie 800XL jest w nawiasie, gdyż nie mam pewności co do faktu, czy położenie układów scalonych, który zastosowałem w 65XE "zmieści się" w 800XL.
Na początku należy wymontować stare pamięci z rządka, a następnie (jeżeli nie zrobiono tego poprzednio) wlutować podstawki 16-nóżkowe.
W tym samym czasie przygotowujemy 8 "piramidek" pamięci zbudowanych według rysunku nr.2
Kości z indeksem "a" są to układy 4164 (4264), pozostałe to 41256.
W układach z indeksami "b", "c", "d" i "e" odginamy nóżki nr. 15 (CAS), a w układach "d0", "d1", "e5", "e0", "e1", "e2", "e3", "e4", "e5" odginamy nóżki 2 i 14 (Data).
Następnie składamy 8 piramidek według rysunku nr.2. Zróżnicowana wysokość piramidek wynika z faktu, że tylko w takiej proporcji mogą one się zmieścić pod klawiaturą.
Następnie w układach "d0", "d1" oraz od "e0" do "e5" łączymy krótkimi kabelkami nóżki 2 i 14. Kolejnym krokiem jest podpięcie do wymienionych wyżej nóżek sygnałów danych. Np. do nóżki 2 lub/i 14 układu "e0" łączymy sygnał Data z "c0" (obojętne, czy to 2 czy 14 - one są już połączone na płycie). Do łączenia najlepiej jest wybrać kości "a", "b", "c" lub "d" (ale tylko dla numerów od "d2" do "d7"). Oto proponowany układ: z "d5" do "e5", z "d4" do "e4", z "c0" do "d0" i "e0", z "c1" do "d1" i "e1", z "d2" do "e2", z "d3" do "e3".
Kolejnym zabiegiem jest połączenie linii CAS scalaków. Kości z indeksem "a" omijamy, gdyż są one już połączone w obrębie płyty. Łączymy ze sobą wszystkie nóżki nr. 15 w kościach o tym samym indeksie literowym (oprócz "a").
I tak uzyskaliśmy 4 linie, którym przyznajemy następujące nazwy porządkowe: - linia "b" - CAS 256
- linia "c" - CAS 512
- linia "d" - CAS 768
- linia "e" - CAS 1024
Musimy koniecznie ustalić dwa sygnały sprzed demontarzu poprzedniego rozszerzenia - do nóżki nr. 15 kości 4164 (4264) biegł sygnał CAS 64, natomiast do układów 41256 (nóżka 15) biegł sygnał, który nazwijmy CAS Enh. Jeżeli scalaki 4164 znajdowały się poniżej 41256, wyodrębniamy tylko CAS Enh, jeżeli zaś 4164 (4264) były na górze, to musimy znaleźć wyjście ze sterownika CAS Enh, odłączamy je i na jego miejsce kierujemy CAS 64.
Dodatkowo musimy się upewnić, czy na płycie są połączone scieżki łączące nóżki nr. 1 pamięci - jeżeli nie, to łączymi je - powinien do nich dochodzić sygnał oznaczany czasami jako BA8 lub ~A8 ze sterownika.
Teraz czeka nas najtrudniejsze zadanie - musimy umieścić piramidki w podstawkach - "wstawiamy" je w kolejności pokazanej na rysunku nr. 2 - od lewej do prawej, gdzie najniższe są w pierwszych od przodu płyty podstawkach.
Najgorzej jest w wypadku dwóch ostatnich ośmiowarstwowych piramid - jak na złość projektanci płyt Atari 65XE umieścili je bliżej siebie niż pozostałe, dlatego należy pomiędzy nimi umieścić izolację (np. kawałek papieru lub folii).
Aby poznać ciąg dalszy, przeskocz opis dla Atari 130XE
Atari 130XE
Na początku wylutowywujemy poprzednie układy pamięci (ew. wyciągamy z podstawek) - dotyczy to obydwu rządków pamięci. Jeżeli na płycie nie ma podstawek, to instalujemy je i lutujemy. Następnie przygotowujemy 8 piramidek, każda z dwóch układów pamięci - łączymy je tak, aby na dole znajdowały się układy 4164 (4264), a na górze 41256, z tym, że nóżki nr. 15 (CAS) odginamy w górę, natomiast pozostałe nóżki układów 4164 (4264) i 41256 łączymy.
Teraz umieszczamy owe 8 piramidek w zewnętrznym rządku (ten z lewej strony). Odgięte nóżki układów 41256 łączymy przewodem i przyjmujemy dla nich oznaczenie CAS 256.
Teraz przechodzimy do drugiego rządka. Tym razem budujemy piramidki o wysokości trzech układów scalonych. Układy w najniższym rządku pozostawiamy bez zmian, natomiast układy w układach środkowych i górnych odginamy nóżki nr.15. Teraz łączymy nóżki nr.15 w środkowych układach i nadajemy im nazwę CAS 512. Łączymy również przewodem nóżki nr. 15 górnych układów i nadajemy im nazwę CAS 768. Piramidki umieszczamy w prawym rządku pamięci.
Teraz odlutuwujemy z płyty rezystor R111 (33 Ohm) - jest on połączony ścieżką z nóżką nr. 10 układu CO 25953. Teraz końcówkę po rezystorze od strony scalaka nazywamy CAS Enh, natomiast drugą CAS 1024.
Teraz przy pomocy przewodu łączymy wszystkie nóżki nr.1 z lewego rządka, z nóżkami nr.1 prawego rządka.
Zakończenie
Od tego momentu dalszy opis jest taki sam zarówno dla 65XE, jak i 130XE.
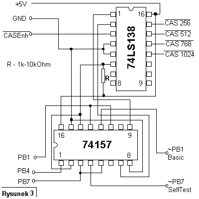
Następnym krokiem jest dobranie się do układu PIA - oznaczenie 6520 lub 6821 (40 nóżek)
Wylutowywujemy nóżki nr. 11 i nr. 17. Dla nóżki nr. 11 przyjmujemy oznaczenie PB1, a dla ścieżki, od której ją odłączyliśmy ~PB1. Analogicznie robimy z nóżką 17 - ją nazywamy PB7, a linię po niej ~PB7. Dodatkowo od nóżki nr.14 ciągniemy sygnał, który nazywamy PB4.
Następnie łączymy opisane sygnały z oznaczeniami sygnałów układu pokazanego na rysunku nr. 3 - łączymy również sygnały +5V i GND oraz sygnał CAS Enh.
Następnie łączymy sygnały CAS 256, CAS 512, CAS 768 i CAS 1024 ze swoimi odpowiednikami, jednak tutaj umieszczmy szeregowo rezystory 33 Ohm.
W tym momencie profesor Mniemanologii Stosowanej Jan Tadeusz Stanisławski powiedziałby: "i to by było na tyle" - jeżeli układ został zamontowany zgodnie z opisem, wszystkie części są sprawne i nie mamy zimnych lutów ani przerwanych ścieżek, to możemy być dumni, że mamy 1MB RAM w małym Atari.
Komentarze (2)